IDE Harddisk für den MC-CP/M Computer (nicht nur)

Neuentwicklung von CP/M-Rechnern und Komponenten
Benutzeravatar
Alfred
Beiträge: 302
Registriert: 17. Jun 2019, 18:47
Wohnort: Enzkreis

Re: IDE Harddisk für den MC-CP/M Computer (nicht nur)

Beitrag von Alfred » 2. Nov 2023, 11:06

Code: Alles auswählen

... schön nochmals auf die Urspünge zu stoßen und Grundlagen wieder zu vertiefen.
genau und die in der Vergangenheit neu eingebauten Bugs bzw. Schlampereien erkennen ;)

Gruß
Alfred

Werner_8085
Beiträge: 86
Registriert: 24. Jun 2019, 18:03
Wohnort: Rees
Kontaktdaten:

Re: IDE Harddisk für den MC-CP/M Computer (nicht nur)

Beitrag von Werner_8085 » 15. Nov 2023, 10:15

Hallo Alfred,
gibt es schon Erkenntnisse zum ECMA-70, die man/wir in Software für unsere zahlreichen CP/M "Kisten" gießen könnten?. So als Standard, damit der Datenaustausch zwischen den doch sehr unterschiedlichen Rechnern einfacher wird...

LG Werner
PS: Der grundsätzliche Datenaustausch zwischen BDOS und BIOS habe ich im Anhang soweit aufgedröselt, wobei der physikalische Teil (lesen/schreiben) noch einer deutlichen Analyse bedarf.
Dateianhänge
CPM-Disk-Management.pdf
(134.31 KiB) 184-mal heruntergeladen

Benutzeravatar
Alfred
Beiträge: 302
Registriert: 17. Jun 2019, 18:47
Wohnort: Enzkreis

Re: IDE Harddisk für den MC-CP/M Computer (nicht nur)

Beitrag von Alfred » 15. Nov 2023, 18:39

Hallo Werner,

ja bin etwas weiter, mache dazu ein neues Thema auf.
Danke für das PDF, schaue ich die Tage an...

Gruß
Alfred

Benutzeravatar
Alfred
Beiträge: 302
Registriert: 17. Jun 2019, 18:47
Wohnort: Enzkreis

Re: IDE Harddisk für den MC-CP/M Computer (nicht nur)

Beitrag von Alfred » 16. Dez 2023, 16:58

Heute mal ein bisschen experimentiert ... man nehme:
SSD1a.JPG
SSD1a.JPG (218.02 KiB) 56973 mal betrachtet
montiere eine SSD:
SSD2a.JPG
SSD2a.JPG (213.43 KiB) 56973 mal betrachtet
Grobmotoriker darf man dazu nicht sein:
SSD3a.JPG
SSD3a.JPG (234.99 KiB) 56973 mal betrachtet

Benutzeravatar
Alfred
Beiträge: 302
Registriert: 17. Jun 2019, 18:47
Wohnort: Enzkreis

Re: IDE Harddisk für den MC-CP/M Computer (nicht nur)

Beitrag von Alfred » 16. Dez 2023, 17:01

und teste:
BZ.jpg
BZ.jpg (127.48 KiB) 56972 mal betrachtet

und zum Vergleich ein 128MB DOM:
PQI.jpg
PQI.jpg (115.91 KiB) 56972 mal betrachtet
Quasi neu gegen alt, d.h. es gibt Optimierungsbedarf :lol:

Gruß
Alfred

Werner_8085
Beiträge: 86
Registriert: 24. Jun 2019, 18:03
Wohnort: Rees
Kontaktdaten:

Re: IDE Harddisk für den MC-CP/M Computer (nicht nur)

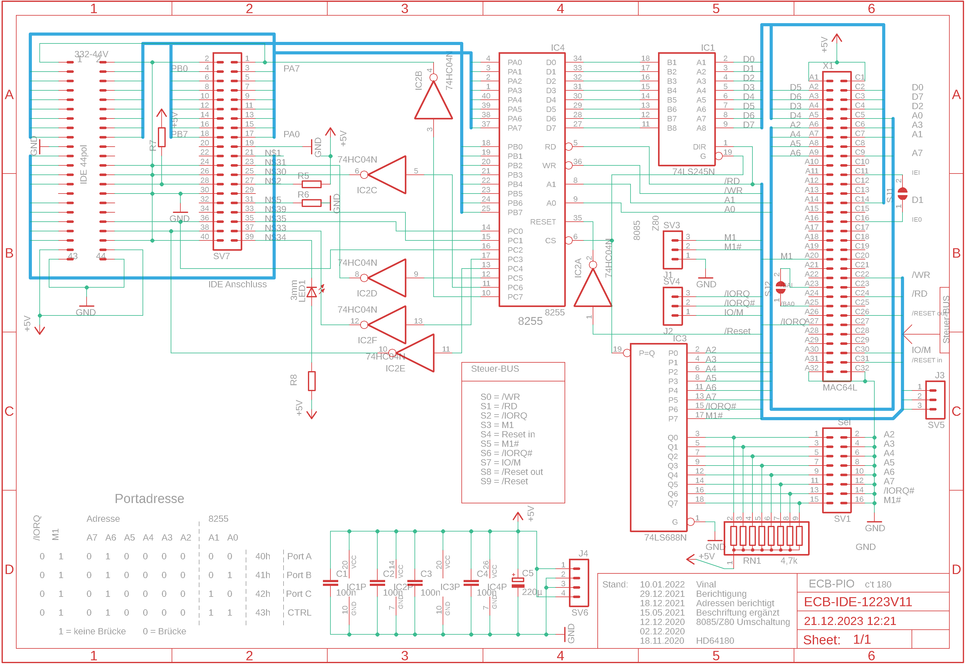
Beitrag von Werner_8085 » 21. Dez 2023, 13:36

wie weiter oben beschrieben gab es noch ein paar Layoutmängel.
- Gänseblümchenketten haben jetzt einen Lötjumper
- 44pol 2mm Anschluß für Flashspeicher ist hinzugekommen.
Damit können dann die schönen kleinen Module genutzt werden - statt den etwas zickigen CF-Karten.

ECB-IDE-1223V11-sch.png
ECB-IDE-1223V11-sch.png (138.44 KiB) 56943 mal betrachtet
ECB-IDE-1223V11-brd.png
ECB-IDE-1223V11-brd.png (237.6 KiB) 56943 mal betrachtet
LG Werner

PS: hier noch die Eagle Daten
ECB-IDE-V11.zip
(132.09 KiB) 181-mal heruntergeladen

Benutzeravatar
Alfred
Beiträge: 302
Registriert: 17. Jun 2019, 18:47
Wohnort: Enzkreis

Re: IDE Harddisk für den MC-CP/M Computer (nicht nur)

Beitrag von Alfred » 22. Dez 2023, 14:27

Sehr schön Werner und besten Dank für deinen Einsatz :D

Gruß und ein frohes Fest
Alfred

Antworten